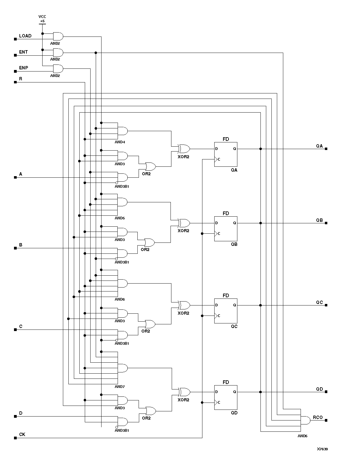
Figure 11.24 X74_163 Implementation XC9000