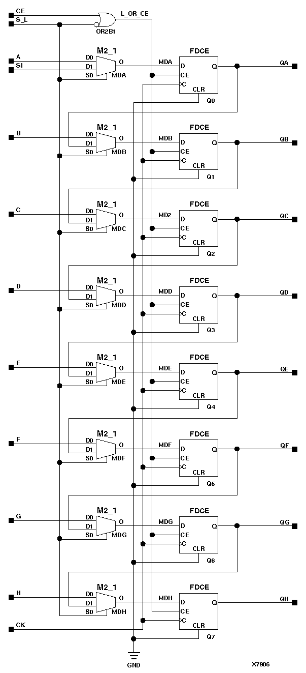
Figure 11.26 X74_165S Implementation XC3000, XC4000E, XC4000X, XC5200, XC9000, Spartan, SpartanXL