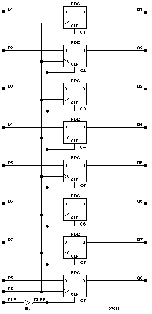
Figure 11.33 X74_273 Implementation XC3000, XC4000E, XC4000X, XC5200, XC9000, Spartan, SpartanXL