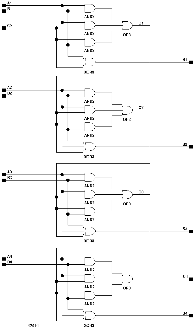
Figure 11.36 X74_283 Implementation XC3000, XC4000E, XC4000X, XC5200, Spartan, SpartanXL