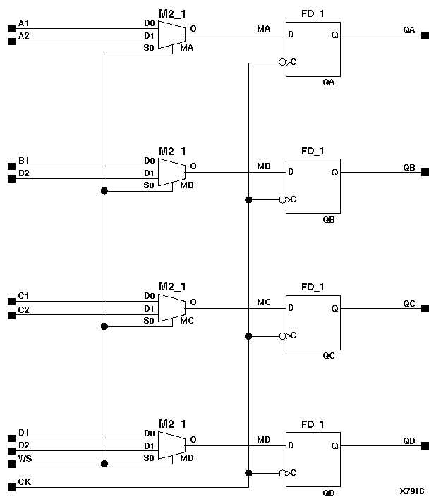
Figure 11.38 X74_298 Implementation XC3000, XC4000E, XC4000X, XC5200, Spartan, SpartanXL