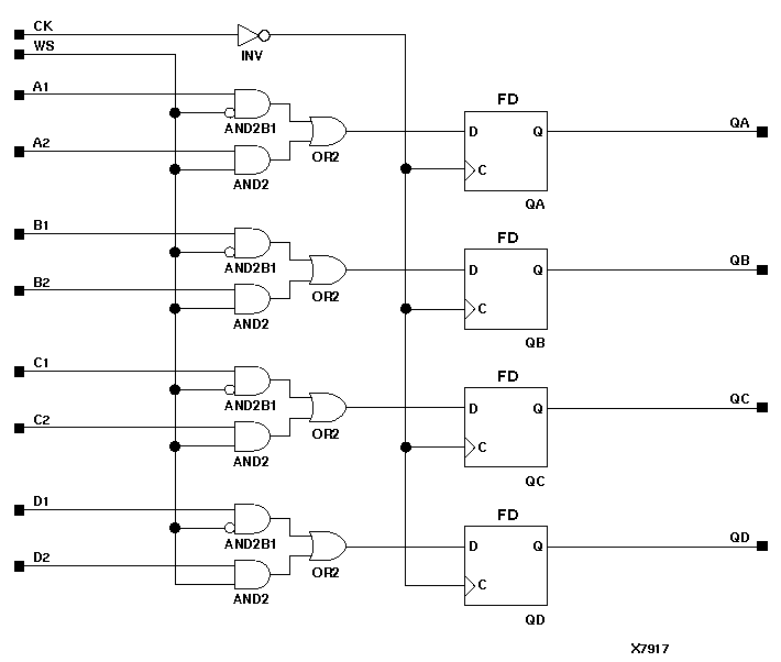
Figure 11.39 X74_298 Implementation XC9000