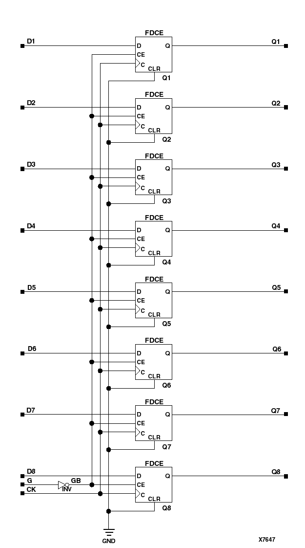
Figure 11.41 X74_377 Implementation XC3000, XC4000E, XC4000X, XC5200, XC9000, Spartan, SpartanXL