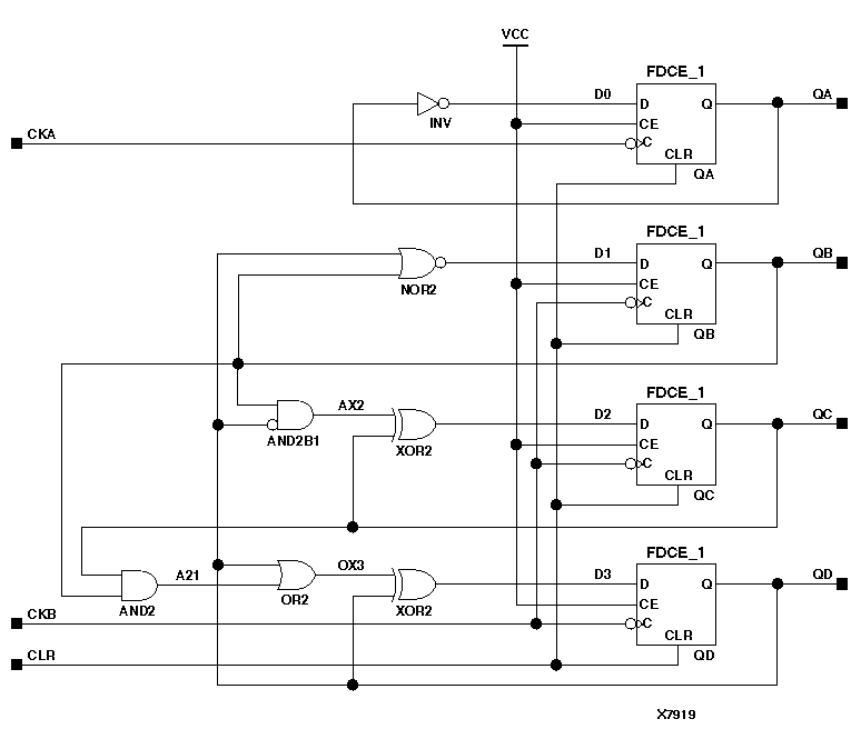
Figure 11.42 X74_390 Implementation XC3000, XC4000E, XC4000X, XC5200, Spartan, SpartanXL