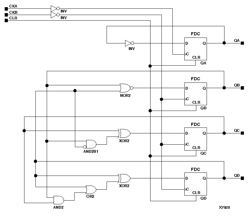
Figure 11.43 X74_390 Implementation XC9000