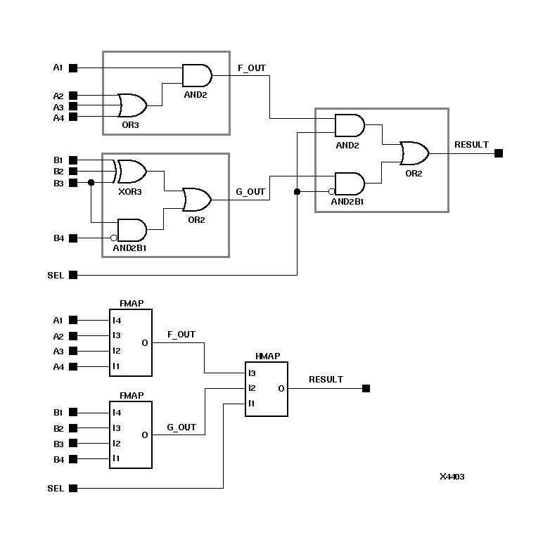
FMAP and HMAP Schematics

Figure 12.2 FMAP and HMAP Schematics