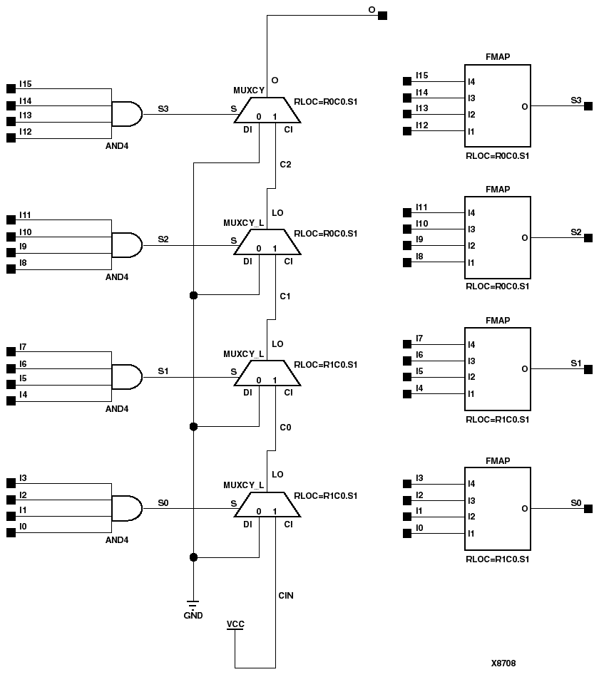
Figure 3.32 AND16 Implementation Spartan2, Virtex