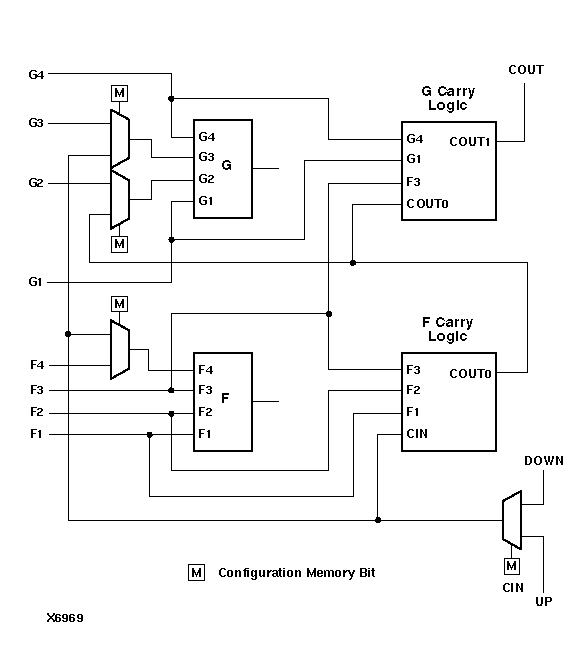
XC4000, Spartan, SpartanXL Carry Logic

Figure 12.18 XC4000, Spartan, SpartanXL Carry Logic