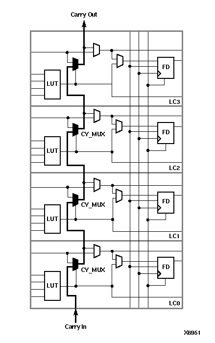
XC5200 Carry Logic

Figure 12.20 XC5200 Carry Logic