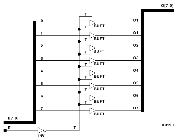
Figure 3.36 BUFE8 Implementation XC3000, XC4000E, XC4000X, XC5200, Spartan, SpartanXL