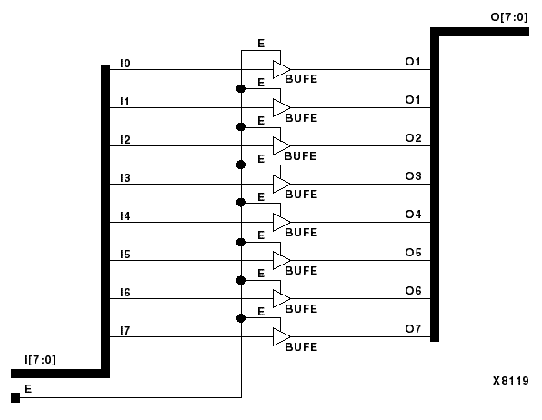
Figure 3.37 BUFE8 Implementation XC9000, Spartan2, Virtex