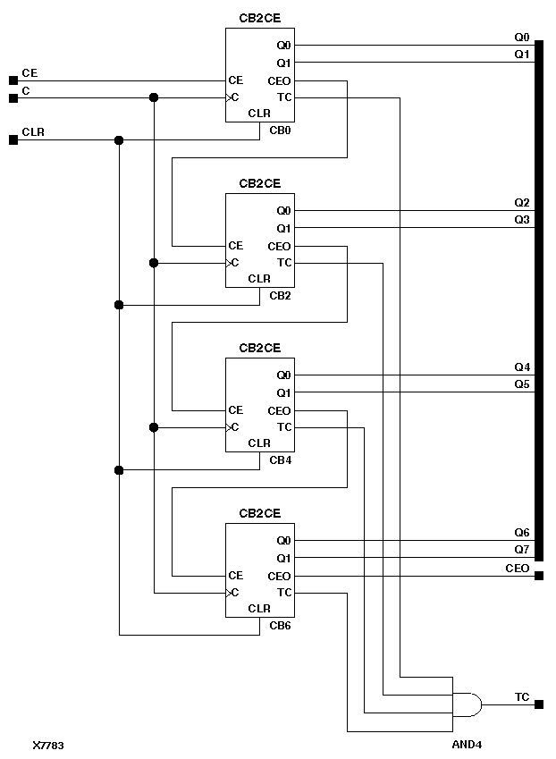
Figure 4.3 CB8CE Implementation XC9000