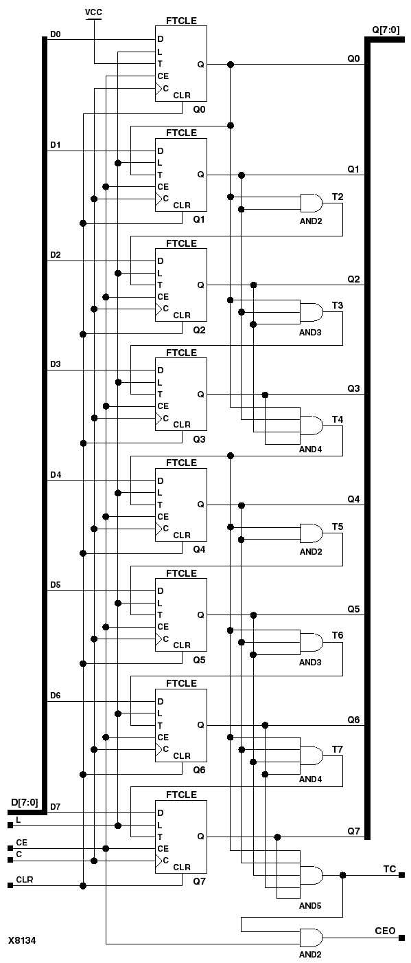
Figure 4.4 CB8CLE Implementation XC3000