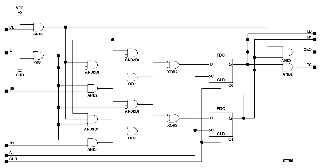
Figure 4.6 CB2CLE Implementation XC9000