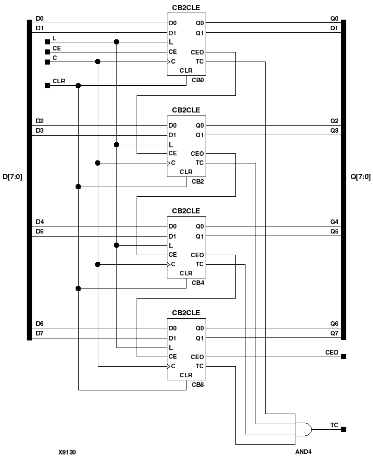
Figure 4.7 CB8CLE Implementation XC9000