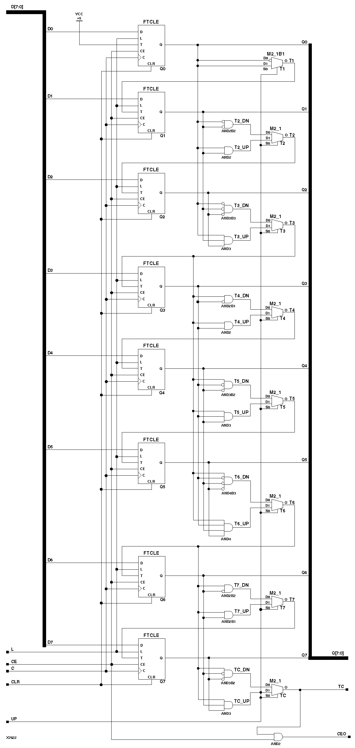
Figure 4.8 CB8CLED Implementation XC3000