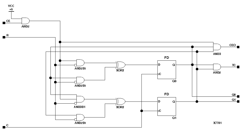
Figure 4.12 CB2RE Implementation XC9000