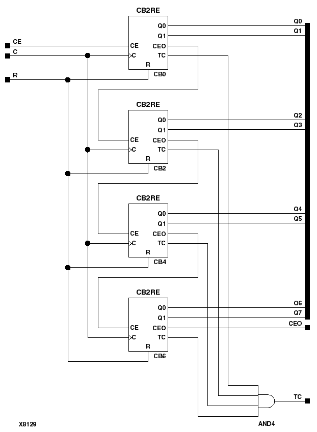
Figure 4.13 CB8RE Implementation XC9000