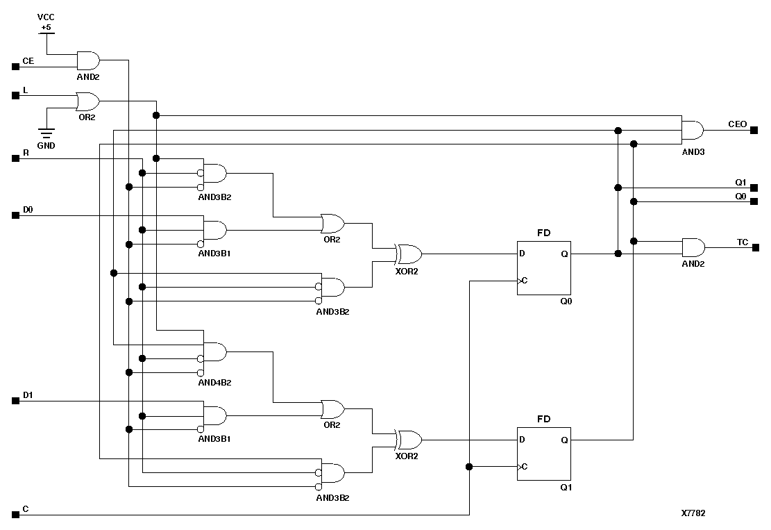
Figure 4.14 CB2RLE Implementation XC9000