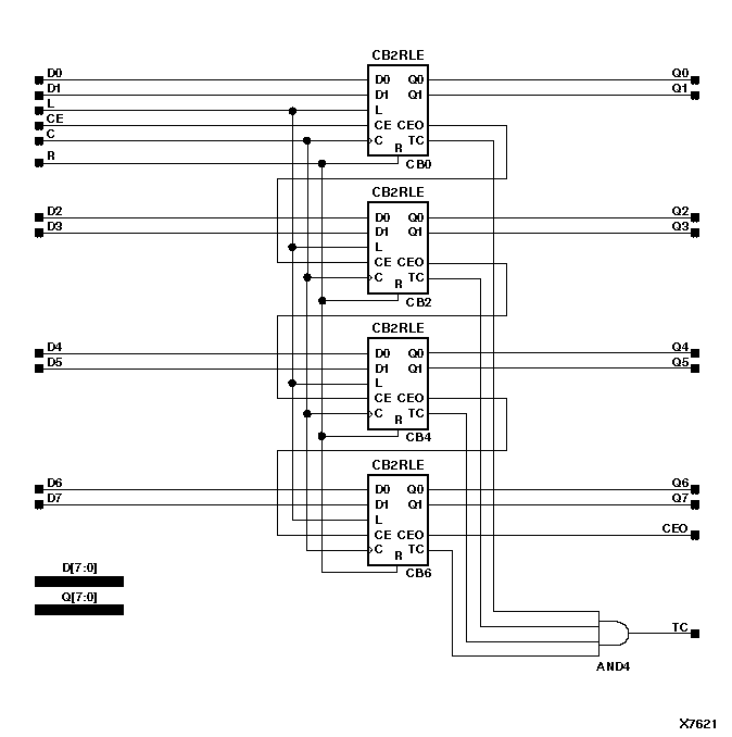
Figure 4.15 CB8RLE Implementation XC9000