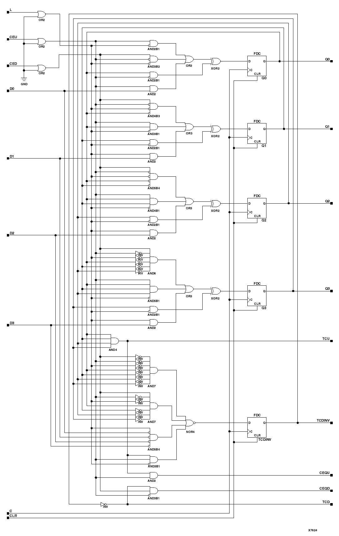
Figure 4.16 CB4X1 Implementation XC9000