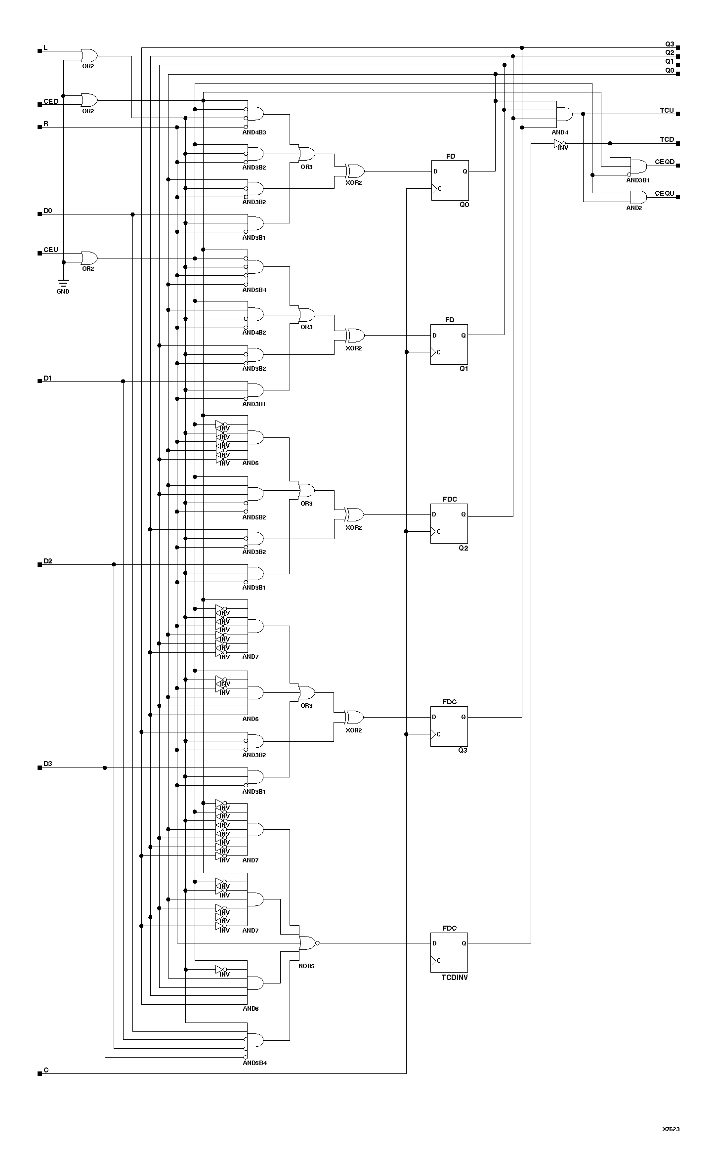
Figure 4.17 CB4X2 Implementation XC9000