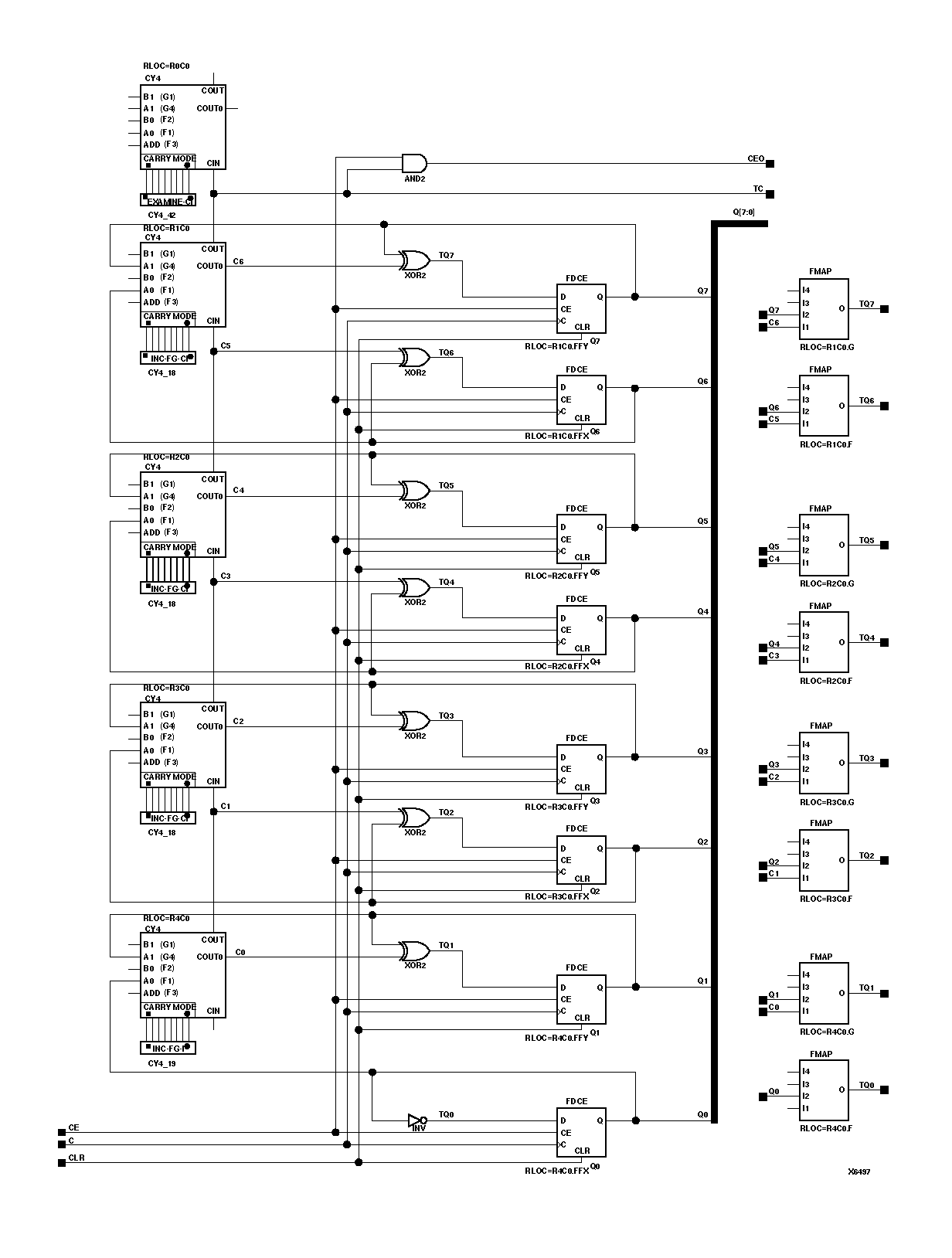
Figure 4.18 CC8CE Implementation XC4000E, XC4000X, Spartan, SpartanXL