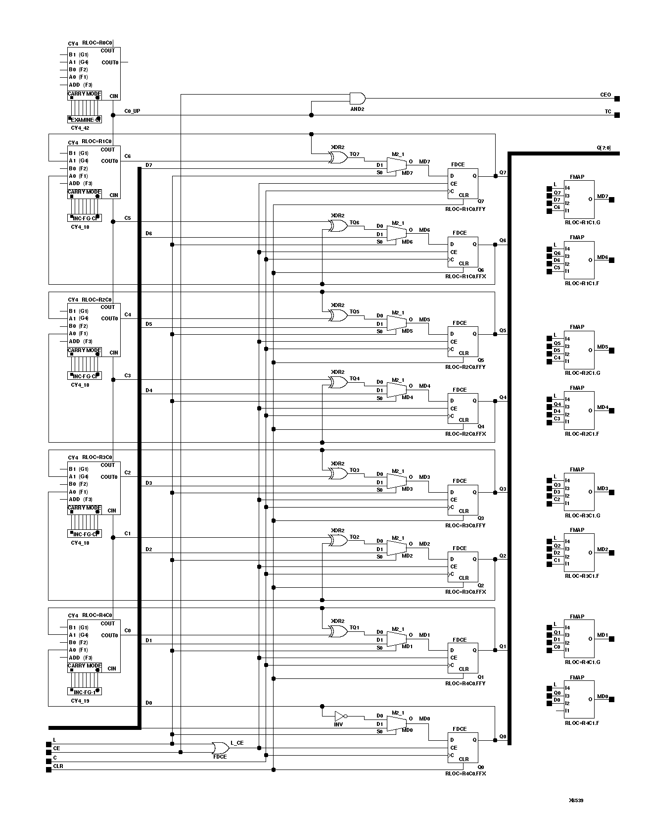
Figure 4.21 CC8CLE Implementation XC4000E, XC4000X, Spartan, SpartanXL