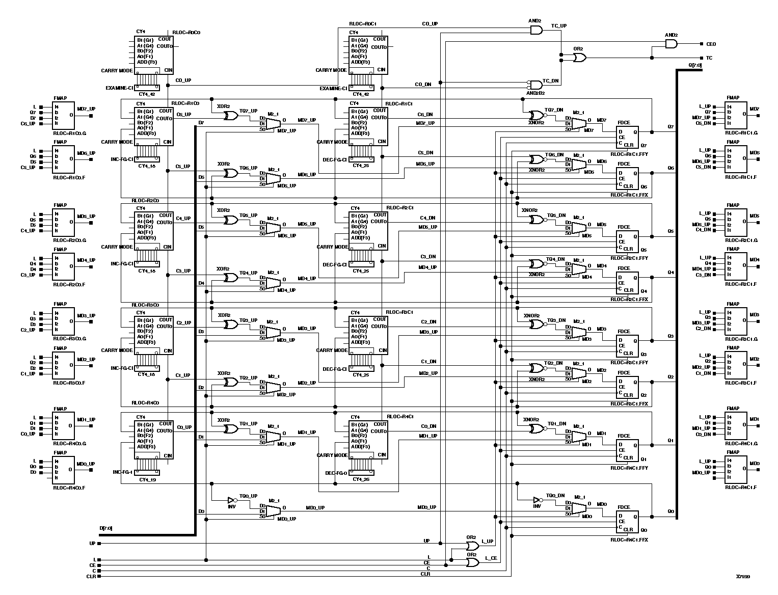
Figure 4.24 CC8CLED Implementation XC4000E, XC4000X, Spartan, SpartanXL