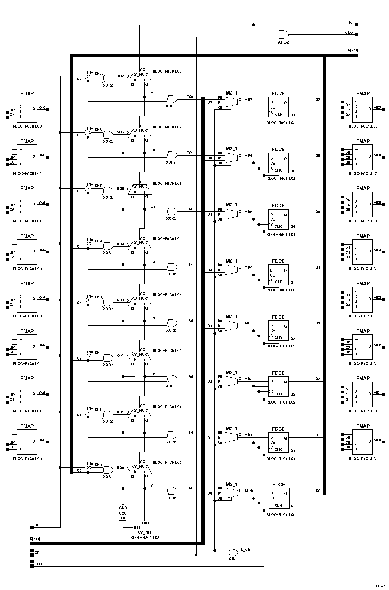
Figure 4.25 CC8CLED Implementation XC5200