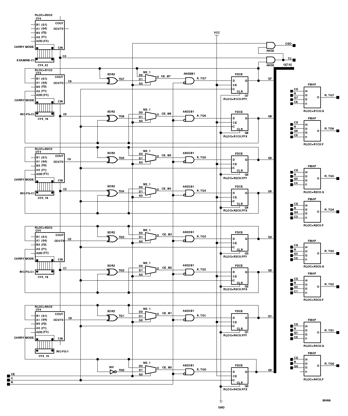
Figure 4.27 CC8RE Implementation XC4000E, XC4000X, Spartan, SpartanXL