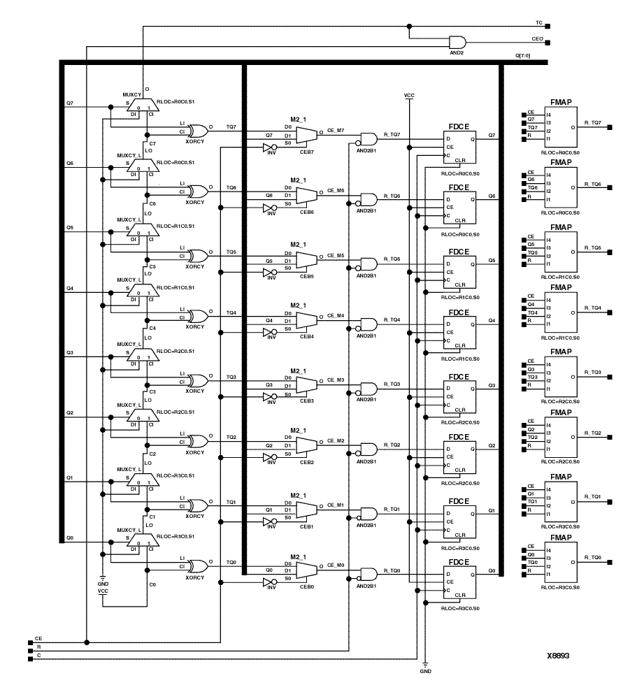
Figure 4.29 CC8RE Implementation Spartan2, Virtex