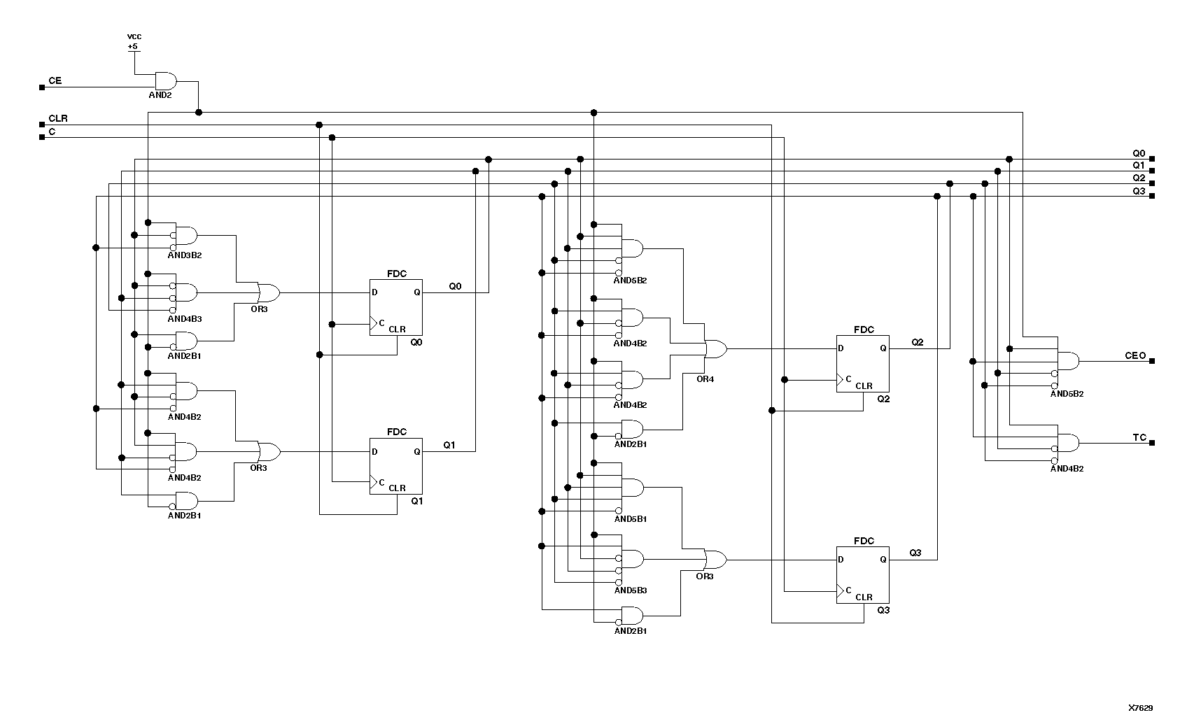
Figure 4.31 CD4CE Implementation XC9000