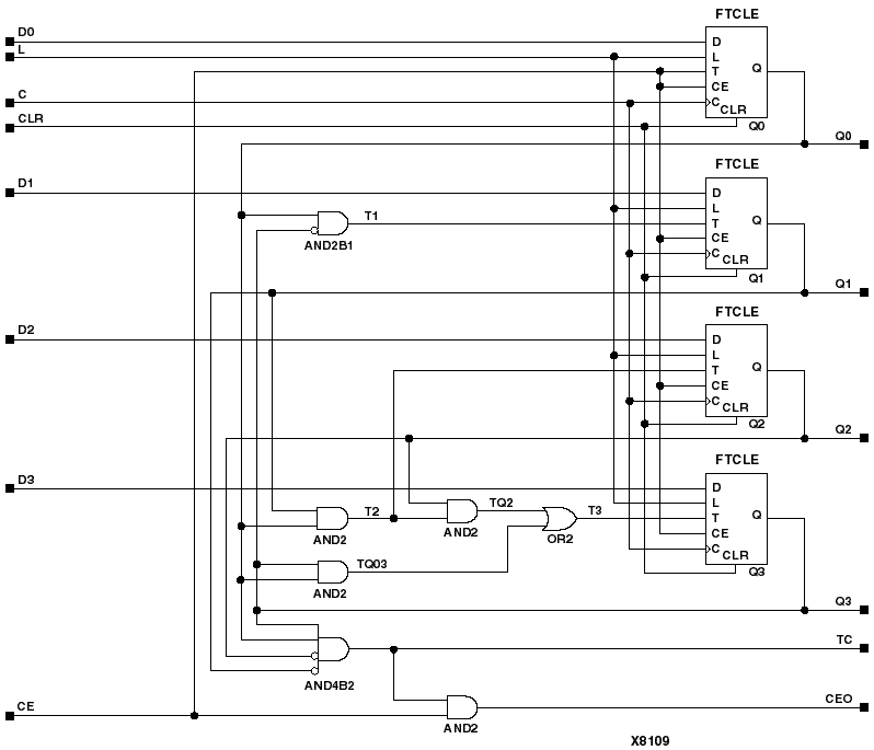
Figure 4.32 CD4CLE Implementation XC3000