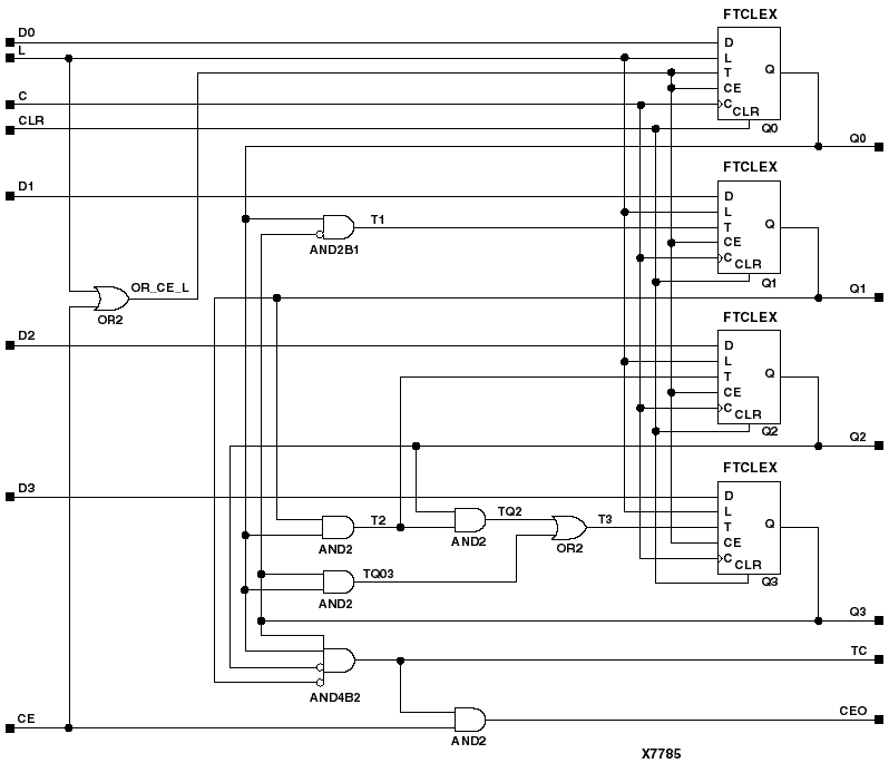
Figure 4.33 CD4CLE Implementation XC4000E, XC4000X, XC5200, Spartan, SpartanXL, Spartan2, Virtex