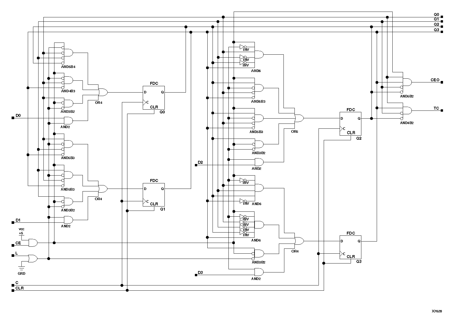
Figure 4.34 CD4CLE Implementation XC9000