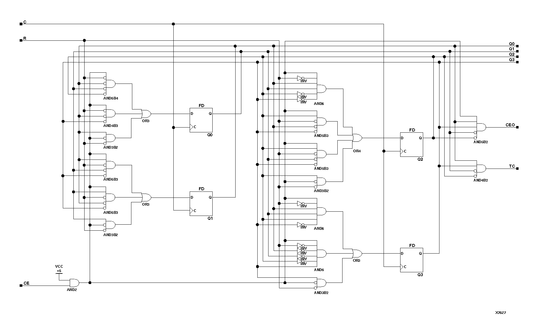
Figure 4.36 CD4RE Implementation XC9000