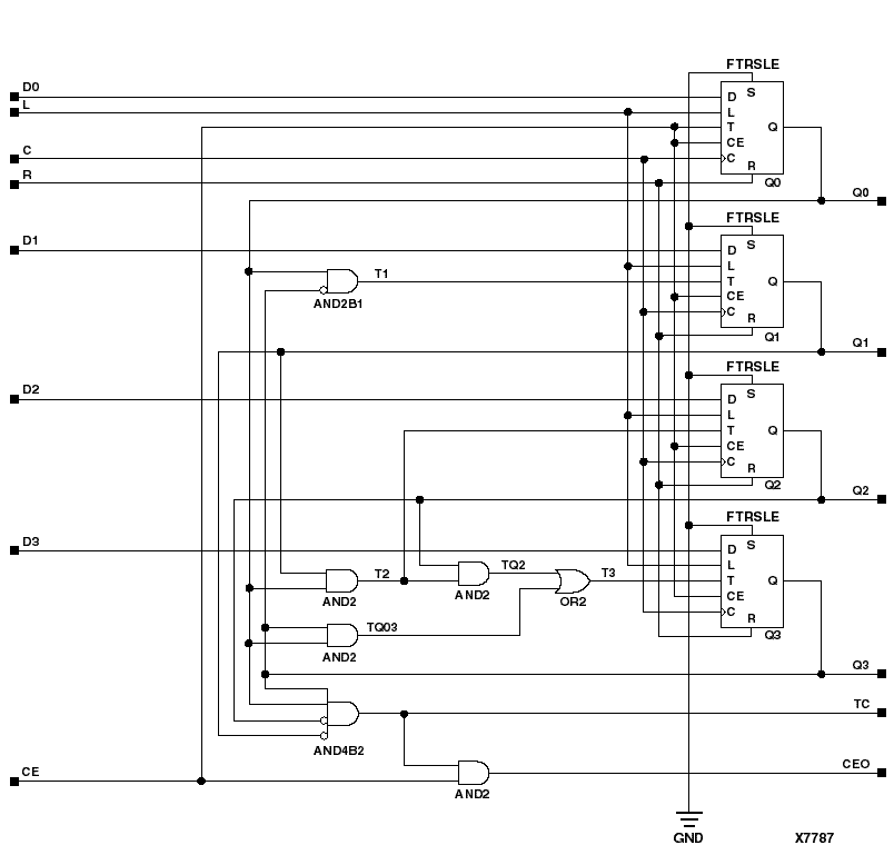
Figure 4.37 CD4RLE Implementation XC3000, XC4000E, XC4000X, XC5200, Spartan, SpartanXL, Spartan2, Virtex