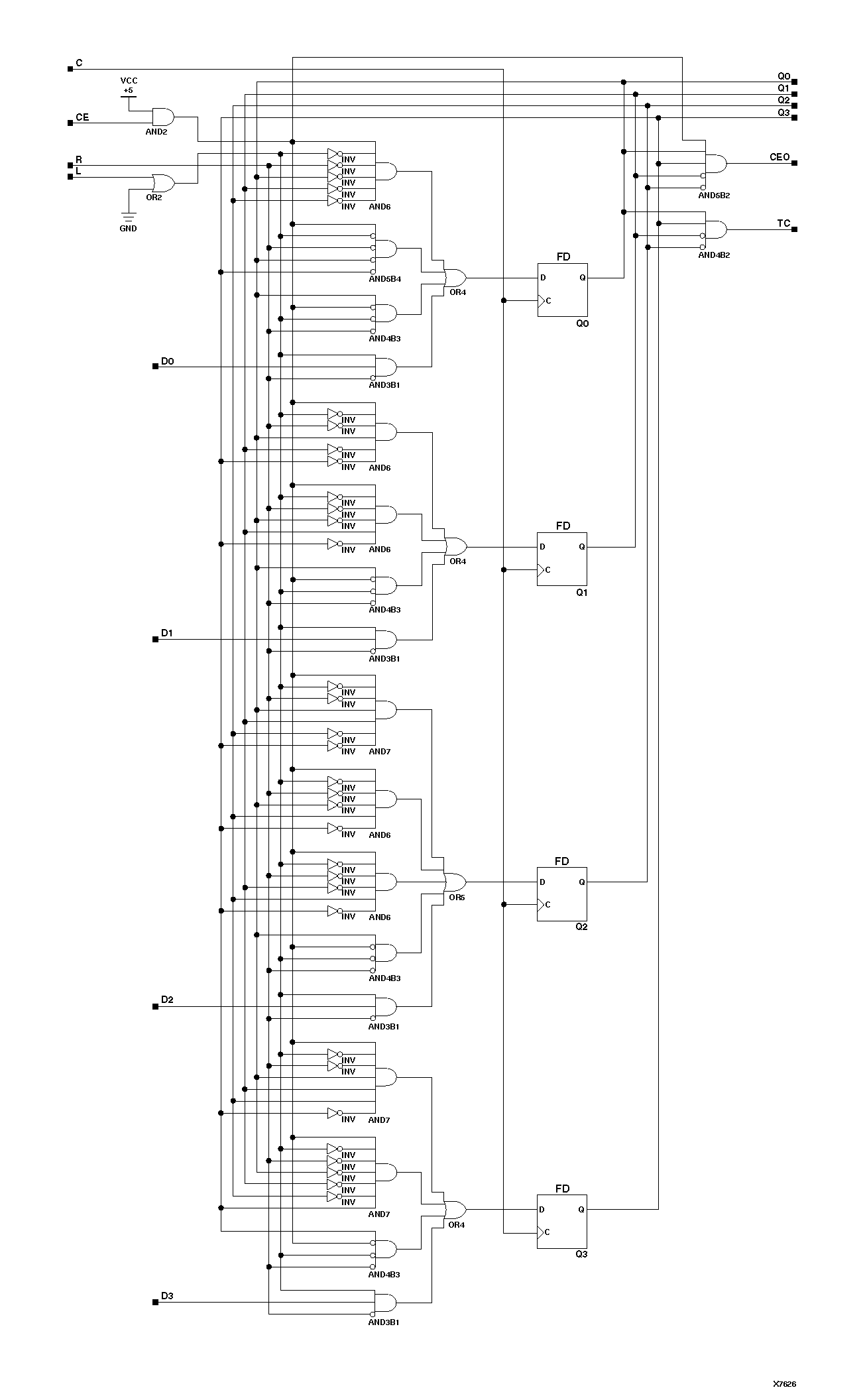
Figure 4.38 CD4RLE Implementation XC9000