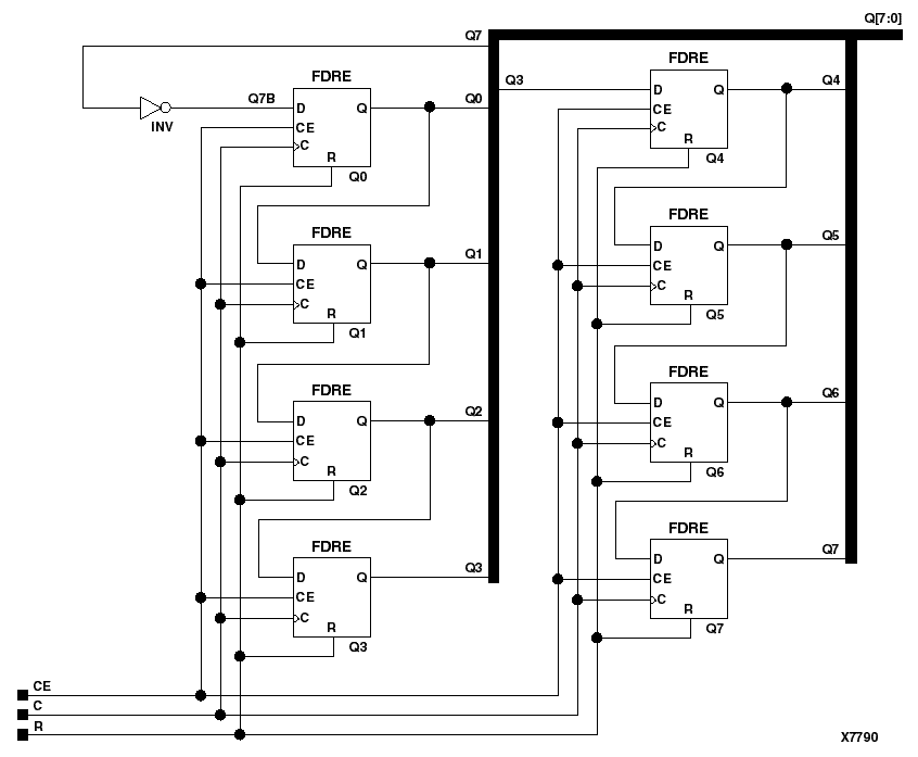
Figure 4.40 CJ8RE Implementation XC3000, XC4000E, XC4000X, XC5200, XC9000, Spartan, SpartanXL, Spartan2, Virtex