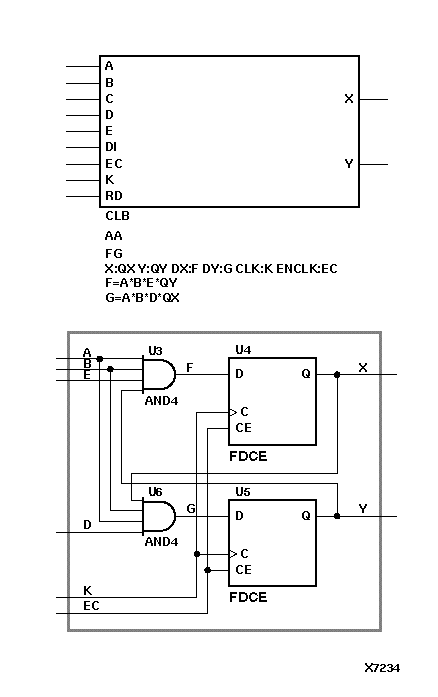
XC3000 CLB Primitive Example and Equivalent Circuit

Figure 4.41 XC3000 CLB Primitive Example and Equivalent Circuit