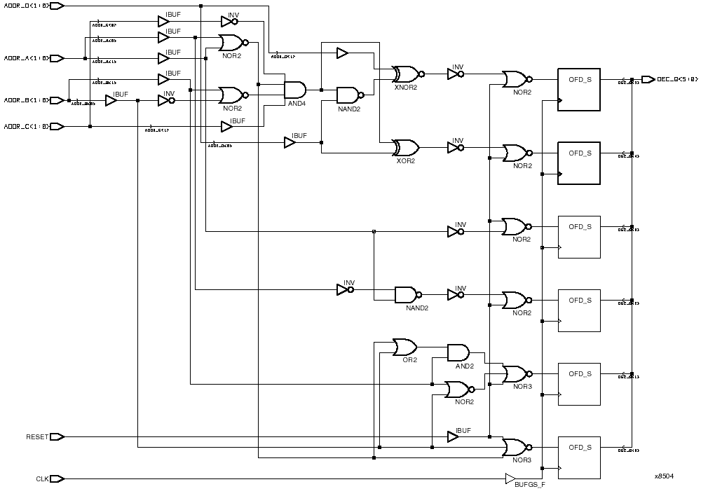
Implementation of Nested If

Figure 2.10 Implementation of Nested If