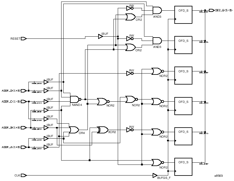
Implementation of If-Case

Figure 2.11 Implementation of If-Case