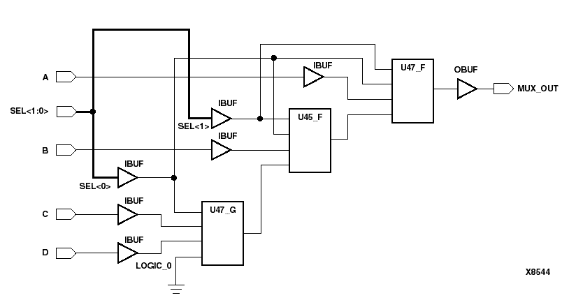
If_Ex Implementation

Figure 2.12 If_Ex Implementation