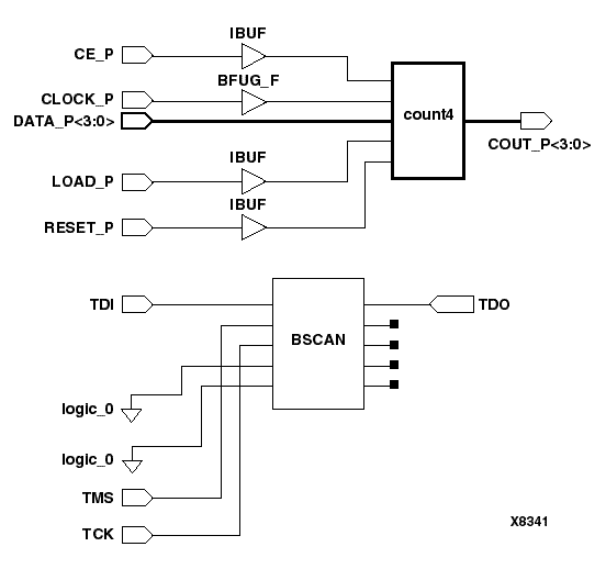
Bnd_scan Schematic

Figure 4.7 Bnd_scan Schematic