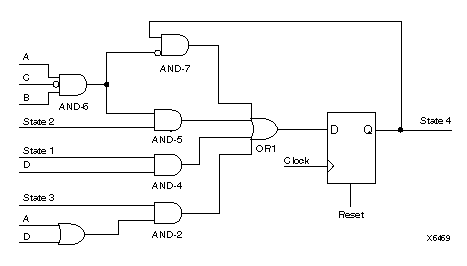
The Seven States

Figure A.3 The Seven States