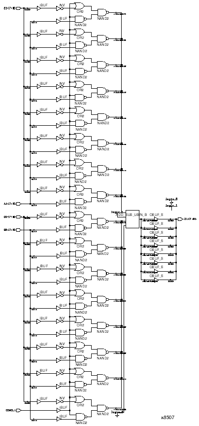
Implementation of Resource Sharing

Figure 2.5 Implementation of Resource Sharing