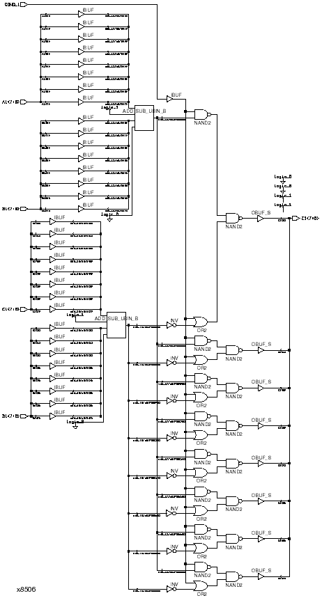
Implementation without Resource Sharing

Figure 2.6 Implementation without Resource Sharing