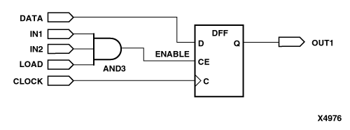
Implementation of Clock Enable

Figure 2.9 Implementation of Clock Enable