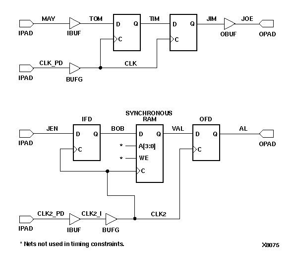
Figure B.3 Specifying Timing Constraints